考试提醒
2022年试验检测考试时间:6月18日-19日
距离2022考试还有
考试动态_公路检测考试
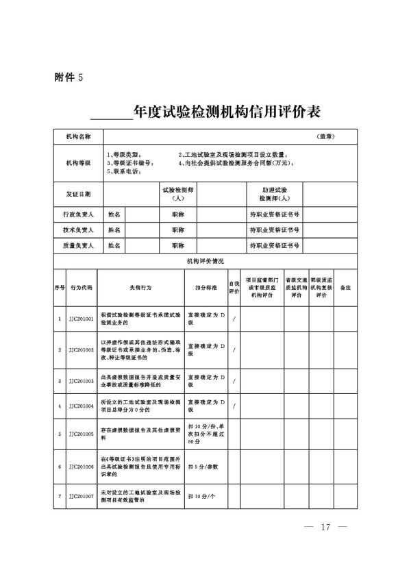
关于印发《公路水运工程试验检测信用评价办法》的通知(交安监发〔2018〕78号)
添加时间:2020-01-16访问次数:

《公路水运工程试验检测信用评价办法》(交安监发〔2018〕78号)颁布单位:交通运输部分类:规范性文件标签:综合

(转载自http://xxgk.mot.gov.cn/jigou/aqyzljlglj/201807/P020180731356573338756.pdf

微信图片_20191009101557.jpg

微信扫一扫关注下面公众号,免费接收更多内容